Ngôn ngữ
English English Russian Tiếng Việt
Chức vụ:
DIN 3352 F4 Van cổng có mặt bích đàn hồi
DIN 3352 F4 Van cổng có mặt bích đàn hồi
DIN 3352 F4 Van cổng có mặt bích đàn hồi
DIN 3352 F4 Van cổng có mặt bích đàn hồi

DIN 3352 F4 Van cổng có mặt bích đàn hồi

Phạm vi kích thước: 1 1/2"~24"(DN40-DN600mm)
Áp lực: PN10-PN25
Vật liệu cơ thể: DI
Nhiệt độ: ≤80℃
Chất liệu ghế: NBR/EPDM/PTFE
Vật liệu đĩa: DI+NBR/EPDM/PTFE
Vật liệu gốc: Thép không gỉ 45#/2Cr13/ 304/316
GIỚI THIỆU
DỮ LIỆU
Có liên quan
CUỘC ĐIỀU TRA
GIỚI THIỆU
Giới thiệu sản phẩm
Đĩa van được bọc cao su để có được hiệu quả bịt kín tuyệt vời nhờ khả năng biến dạng đàn hồi của cao su.
Van cổng ngồi đàn hồi không tăng giải quyết vấn đề trong van cổng nói chung như rò rỉ, rỉ sét, v.v. và tiết kiệm không gian lắp đặt. Nó được sử dụng rộng rãi trong ngành công nghiệp nước máy, xử lý nước thải, xây dựng vận chuyển, dầu khí, hóa chất, thực phẩm, dược phẩm, dệt may, điện, luyện kim và đường ống của hệ thống năng lượng để điều chỉnh và tắt chất lỏng.
 
Tính năng sản phẩm
Hoạt động mô-men xoắn thấp
Nêm bọc cao su
Chiều đóng theo chiều kim đồng hồ
Phủ epoxy liên kết nóng chảy bên trong và bên ngoài

 Ưu điểm của sản phẩm
1. Thân máy là gang dẻo, cao cấp hơn tiêu chuẩn quốc gia. Độ bền kéo là 450Mpa,độ giãn dài lớn hơn 10%,không dễ bị gãy khi vận chuyển.
2. Lớp trong và ngoài đều là sơn Epoxy, độ dày tối thiểu 250μm, chống gỉ tốt, có thể sử dụng trong  hệ thống nước thải. 
3. Nêm được phủ một lớp EPDM, tỷ lệ EPDM có thể đạt tới 50%,ổn định và đàn hồi tốt.
4. 3 vòng chữ O được sử dụng trên thân 2Cr13, có thể giảm ma sát, ngăn rò rỉ, có thể thay vòng đệm bằng nước dừng.
5. Thân cây sử dụng đồng thau, vận hành dễ dàng, chống tắc nghẽn.
6. Mọi liên kết, từ nơi làm việc đến bao bì thành phẩm sẽ được kiểm tra kỹ lưỡng.
DỮ LIỆU
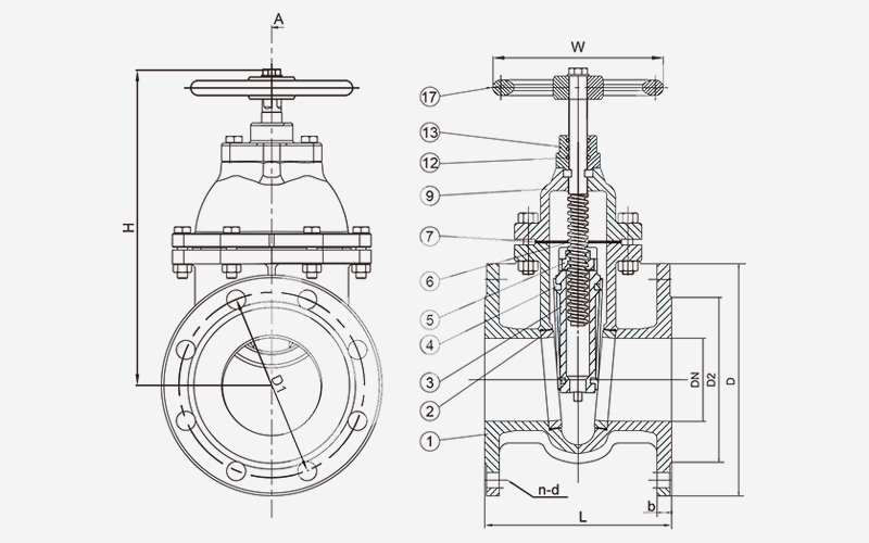
Đặc điểm kỹ thuật vật liệu
Item Part Name Material Item Part Name Material
1 Body EN-GJL-250 6 Stem AISI 420
2 Seat Ring Brass 7 Bonnet Gasket EN-GJL-250
3 Wedge EN-GJL-250 9 Bonnet EPDM O-Ring
4 Wedge Ring Brass 12 Stem Sealing EPDM/NBR
5 Wedge Nut Brass 13 Gland Flange EN-GJL-250
 
Size L D D1 D2 b n-d H W W.T(kg)
DN40 140 150 110 84 18 4-19 230 130 11
DN50 150 165 125 99 20 4-19 250 130 12
DN65 170 185 145 118 20 4-19 280 130 16
DN80 180 200 160 132 22 8-19 310 150 19
DN100 190 220 180 156 24 8-19 349 185 26
DN125 200 250 210 184 26 8-19 395 185 36
DN150 210 285 240 211 26 8-23 456 195 51
DN200 230 340 295 266 26 8-23 537 225 62
DN250 250 395 350 319 28 12-23 659 245 127
DN300 270 445 400 370 28 12-23 718 285 165
DN350 290 505 460 429 30 16-23 870 400 225
DN400 310 565 515 480 32 16-28 941 400 369.6
DN450 330 615 565 530 32 20-28 1204 640 426.8
DN500 350 670 620 582 34 20-28 1295 640 572
DN600 390 780 725 682 36 20-31 1478 640 809.6
Ứng dụng
Cuộc điều tra
Nếu bạn muốn liên hệ với chúng tôi để biết thêm thông tin về các sản phẩm của chúng tôi, vui lòng điền vào mẫu dưới đây, xin cảm ơn.If you would like to contact us for more information about our products ,please fill out the form below,thank you.
*Tên
*E-mail
Điện thoại
Quốc gia
Kiểu
Kích cỡ
Nguyên vật liệu
Áp lực
Trung bình
nóng nảy
*Tin nhắn
Nhanh tư vấn
Tên:
E-mail:
Điện thoại:
Kiểu:
Kích cỡ:
Tin nhắn:
Copyright: 1972-2020 Yuming Valve Group Co,Ltd. All rights reserved.