Tính năng:
1.Con dấu mềm, túi nhựa cổng, chống ăn mòn;
2.Không dễ gãy, tuổi thọ cao;
3.Đối với nước máy, nước thải, xây dựng, điện, y tế, luyện kim, dệt may, hệ thống năng lượng và các dòng chất lỏng khác
4.Sức cản của chất lỏng nhỏ, môi trường chảy qua van cổng không thay đổi hướng dòng chảy nên sức cản của chất lỏng nhỏ. Công ty có trụ sở tại:
5.Mô-men xoắn đóng mở nhỏ, nỗ lực đóng mở nhiều hơn, bởi vì hướng mở và đóng van cổng của dòng chảy và dòng chảy trung bình vuông góc với van, so với van đóng, van cổng mở và đóng nhiều nỗ lực hơn.
6.Hướng dòng môi chất không giới hạn, không cánh hướng gió, không giảm áp, môi chất có thể chảy từ hai phía của van cổng theo bất kỳ hướng nào
7.Chiều dài của cơ cấu ngắn hơn do cửa của van cổng được đặt thẳng đứng trong thân van và nắp van chặn được đặt nằm ngang trong thân van nên chiều dài của cơ cấu ngắn hơn cửa van van. Công ty có trụ sở tại:
8.Hiệu suất bịt kín, mở hoàn toàn khi bề mặt bịt kín bị xói mòn nhỏ hơn. Công ty có trụ sở tại:
9.Mở hoàn toàn, bề mặt bịt kín do môi trường làm việc xói mòn nhỏ hơn van chặn. Công ty có trụ sở tại:
10.Hình dạng đơn giản, công nghệ đúc tốt hơn, nhiều ứng dụng.
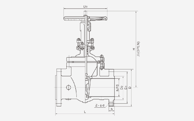
| in | DN | unit | L | H(Full open) | D | D1 | D2 | b | Z-Φd | D0 |
| Class 300 | ||||||||||
| 2 | 50 | in | 8.5 | 16.7 | 6.5 | 5 | 3.62 | 0.88 | 8-0.75 | 8 |
| mm | 216 | 424 | 165 | 127 | 92 | 22.3 | 8-19 | 200 | ||
| 3 | 80 | in | 11.15 | 21 | 8.25 | 6.62 | 5 | 1.12 | 8-0.88 | 10 |
| mm | 283 | 535 | 210 | 168 | 127 | 28.5 | 8-22 | 250 | ||
| 4 | 100 | in | 12 | 24.2 | 10 | 7.88 | 6.19 | 1.25 | 8-0.88 | 10 |
| mm | 305 | 615 | 254 | 200 | 157 | 31.8 | 8-22 | 250 | ||
| 6 | 150 | in | 15.87 | 31.3 | 12.5 | 10.62 | 8.5 | 1.44 | 8-0.88 | 14 |
| mm | 4.3 | 795 | 318 | 270 | 216 | 36.6 | 12-22 | 350 | ||
| 8 | 200 | in | 16.5 | 39.9 | 15 | 13 | 10.62 | 1.62 | 12-1.0 | 15.4 |
| mm | 419 | 1012 | 381 | 330 | 270 | 41.3 | 12-25 | 400 | ||
| 10 | 250 | in | 18 | 48.54 | 17.5 | 15.25 | 12.75 | 1.88 | 16-1.12 | 17.7 |
| mm | 457 | 1231 | 444 | 387.5 | 324 | 47.7 | 16-29 | 450 | ||
| 12 | 300 | in | 19.75 | 57 | 20.5 | 17.75 | 15 | 2 | 16-1.25 | 19.7 |
| mm | 502 | 1450 | 521 | 451 | 381 | 50.8 | 16-32 | 500 | ||
| 14 | 350 | in | 30 | 64.8 | 23 | 20.25 | 16.25 | 2.12 | 20-1.25 | 23.6 |
| mm | 762 | 1645 | 584 | 514.5 | 413 | 54 | 20-32 | 600 | ||
| 16 | 400 | in | 33 | 72.5 | 25.5 | 20.25 | 18.5 | 2.28 | 20-1.38 | 23.6 |
| mm | 838 | 1814 | 648 | 571.5 | 470 | 57.2 | 20-35 | 600 | ||
| 18 | 450 | in | 36 | 76.5 | 28 | 24.75 | 21 | 2.38 | 24-1.38 | 26.8 |
| mm | 914 | 1943 | 711 | 628.5 | 533 | 60.4 | 24-35 | 680 | ||
| 20 | 500 | in | 39 | 84.8 | 30.5 | 27 | 23 | 2.8 | 24-1.38 | 38 |
| mm | 991 | 2154 | 775 | 686 | 584 | 63.5 | 24-35 | 760 | ||
| 24 | 600 | in | 45 | 100.5 | 36 | 32 | 27.25 | 2.75 | 24-1.62 | 36 |
| mm | 1143 | 2553 | 914 | 813 | 692 | 69.9 | 24-41 | 915 | ||
| Class 600 | ||||||||||
| 2 | 50 | in | 11.5 | 18 | 6.5 | 5 | 3.62 | 1 | 8-0.75 | 10 |
| mm | 292 | 458 | 165 | 127 | 92 | 25.4 | 8-19 | 250 | ||
| 3 | 80 | in | 14 | 22.5 | 8.25 | 6.62 | 5 | 1.25 | 8-0.88 | 10 |
| mm | 356 | 570 | 210 | 168 | 127 | 31.8 | 8-22 | 250 | ||
| 4 | 100 | in | 17 | 27.2 | 10.75 | 8.5 | 6.19 | 1.5 | 8-1.0 | 14 |
| mm | 432 | 390 | 273 | 216 | 157 | 38.1 | 8-25 | 350 | ||
| 6 | 150 | in | 22 | 35.8 | 14 | 11.5 | 8.5 | 1.88 | 12-1.12 | 18 |
| mm | 559 | 910 | 356 | 292 | 216 | 47.7 | 12-29 | 450 | ||
| 8 | 200 | in | 26 | 41.9 | 16.5 | 13.75 | 10.62 | 2.19 | 12-1.25 | 19.7 |
| mm | 600 | 1064 | 419 | 349 | 270 | 556 | 12-32 | 500 | ||
| 10 | 250 | in | 31 | 49.5 | 20 | 17 | 12.75 | 2.5 | 16-1.38 | 23.6 |
| mm | 787 | 1257 | 508 | 432 | 324 | 63.5 | 16-35 | 600 | ||
| 12 | 300 | in | 33 | 57.8 | 22 | 19.25 | 15 | 2.62 | 20-1.38 | 26.8 |
| mm | 838 | 1468 | 559 | 48920.75 | 38116.28 | 66.7 | 20-3520-1.50 | 680 | ||
| 14 | 350 | in | 35 | 63.9 | 23.75 | 2.75 | 26.9 | |||
| mm | 889 | 1623 | 603 | 527 | 413 | 69.9 | 20-38 | 760 | ||
| 16 | 400 | in | 39 | 71.5 | 27 | 23.75 | 18.5 | 3 | 20-1.62 | 26.9 |
| mm | 991 | 1816 | 686 | 603 | 470 | 76.2 | 20-41 | 760 | ||
| 18 | 450 | in | 43 | 82.7 | 29.25 | 25.75 | 21 | 3.25 | 20-10.75 | 36 |
| mm | 1092 | 21 | 743 | 654 | 533 | 82.6 | 20-45 | 91.5 | ||
| 20 | 500 | in | 47 | 88.6 | 32 | 28.5 | 23 | 3.5 | 24-1.75 | 37.4 |
| mm | 1194 | 2250 | 813 | 724 | 584 | 88.9 | 24-45 | 950 | ||
| 24 | 600 | in | 55 | 107.5 | 37 | 33 | 27.25 | 4 | 24-2.0 | 39.4 |
| mm | 1397 | 2730 | 940 | 838 | 692 | 102 | 24-51 | 1000 | ||
| Class 1500 | ||||||||||
| 2 | 50 | in | 7 | 16.1 | 6 | 4.75 | 3.62 | 0.75 | 4-0.75 | 8 |
| mm | 178 | 409 | 152 | 120.5 | 92 | 19.1 | 4-19 | 200 | ||
| 3 | 80 | in | 8 | 20 | 7.5 | 6 | 5 | 0.94 | 4-0.75 | 10 |
| mm | 203 | 570 | 90 | 152.5 | 127 | 23.9 | 4-19 | 250 | ||
| 4 | 100 | in | 9 | 23.2 | 9 | 7.5 | 6.19 | 0.94 | 8-0.75 | 10 |
| mm | 229 | 590 | 229 | 190.5 | 157 | 23.9 | 8-19 | 250 | ||
| 6 | 150 | in | 10.5 | 24.8 | 11 | 950 | 8.5 | 1 | 8-0.88 | 12 |
| mm | 267 | 630 | 279 | 241.5 | 216 | 25.4 | 8-22 | 300 | ||
| 8 | 200 | in | 11.5 | 37.8 | 13.5 | 11.75 | 10.62 | 1212 | 8-0.88 | 3.88 |
| mm | 292 | 960 | 343 | 298.5 | 270 | 28.5 | 8-22 | 350 | ||
| 10 | 250 | in | 13 | 45.6 | 16 | 14.25 | 12.75 | 119 | 12-1.00 | 15.7 |
| mm | 330 | 1158 | 406 | 362 | 324 | 30.2 | 12-25 | 400 | ||
| 12 | 300 | in | 14 | 54.3 | 19 | 17 | 15 | 1.25 | 12-1.00 | 17.7 |
| mm | 356 | 1378 | 483 | 432 | 381 | 31.8 | 12-25 | 450 | ||
| 14 | 350 | in | 15 | 60.75 | 21 | 18.75 | 16.25 | 1.38 | 12-1.12 | 19.7 |
| mm | 381 | 1543 | 533 | 476.5 | 413 | 35 | 12-29 | 50 | ||
| 16 | 400 | in | 16 | 68.4 | 23.5 | 21.25 | 18.5 | 1.44 | 16-1.12 | 23.6 |
| mm | 406 | 1738 | 597 | 539.5 | 470 | 36.6 | 16-29 | 600 | ||
| 18 | 450 | in | 17 | 74.1 | 25 | 22.75 | 21 | 1.56 | 16.1.25 | 23.6 |
| mm | 432 | 1959 | 635 | 578 | 533 | 39.7 | 16-32 | 600 | ||
| 20 | 500 | in | 18 | 87.2 | 27.5 | 25 | 23 | 1.69 | 20-1.25 | 26.8 |
| mm | 457 | 2214 | 698 | 635 | 584 | 42.9 | 20-32 | 680 | ||
| 24 | 600 | in | 20 | 102.3 | 32 | 29.5 | 27.25 | 1.88 | 20-1.38 | 29.9 |
| mm | 508 | 2599 | 813 | 749.5 | 692 | 47.7 | 20-35 | 760 | ||
| 30 | 750 | in | 24 | 125.3 | 38.75 | 36 | 33.75 | 2.94 | 28-1.38 | 36 |
| mm | 610 | 3183 | 985 | 914 | 857 | 74.5 | 28-35 | 915 | ||
| 36 | 900 | in | 28 | 147 | 46 | 42.75 | 40.25 | 3.56 | 32-1.62 | 36 |
| mm | 711 | 3737 | 1170 | 1086 | 1022 | 90.5 | 32.41 | 915 | ||